Home > Products > Switchboard Monitoring > ES One Modular Circuits
ES One Modular Monitoring per Circuit

|
- Non Invasive Technology
- Measure Per Individual Circuit on your Switchboards
- Measure Amps, Volts, Hz, Kw, Kw/hr, Carbon, Power Factor
- Forward Carbon Planning
- IP Connectiviy with programmable threshold alerting
- Modular Architecture; Expand when you upgrade
|


Affordably Meter, Energy Use by Individual Circuit
You Can Only Manage What You Measure
Data centre managers understand the effect of rising energy use. It means ever increasing operating costs and all the problems of hot spots and power density. The principal of Management By Information states that: “You can only manage
what you measure.” Energy is no different. The problem is that monitoring energy by circuit has been prohibitively expensive. That is, until now.
See and Manage Energy Consumption by Circuit
EnerSure is the centre piece for your organisation’s energy management plan. EnerSure works simply and attaches to each of your facilities circuits within your switchboards with NO downtime. The unit gathers utility data and provides output directly to your server via Ethernet, eliminating distance restrictions.
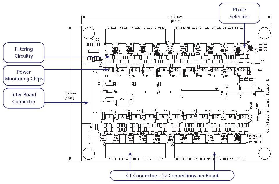
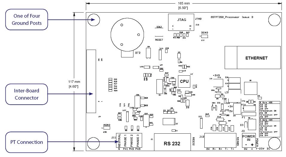
Modular Architecture to Monitor up to 88 Circuits per Unit
EnerSure’s modular architecture consists of a Processor Module and from 1-4 Data Gathering Modules (DGMs). Each DGM has inputs for 22 circuits. Up to 4 DGMs can be mounted on the Processor Board giving you up to 88 circuits (soon to be upgraded to 120 circuits) with a single complete unit. The Processor Module collects data from the DGMs and makes it available via Ethernet directly to a server.
Multiple Communication Options
Ethernet communication can be performed by Modbus TCP, SNMP MIB, & BACnetIP. Serial communication can be performed by using Modbus RTU via RS-232 and RS-485
Precision Data, Not Estimated
EnerSure provides true RMS data with greater than 1.5% accuracy on all the following points for each circuit:
- Current (see actual and peak current for all circuits in your racks)
- Voltage (see peaks and spikes and take early action to avoid trouble)
- Power Factor (the Hidden Cost of Energy)
- Wattage (the amount of heat released from each circuit in your rack)
- Energy (see energy for your all your IT and Cooling loads)
Affordability and Ease-of-Use Make it the Right Choice
EnerSure’s modular architecture and plug-and-play installation make it the right choice for almost any size facility. It installs easily with NO downtime so its the perfect choice for retrofit or new installation. Because EnerSure continuously samples data with high-grade accuracy, you can use it to manage all the following problem issues:
- High, low and mean amperage, voltage and wattage for each circuit
- Data trending for the last minute, hour, day, month and year for each circuit
- 2 and 3 phase circuits are handled easily and with no additional hardware
Ensure Module Figure
Current Transformers Available
Any CT requirement above 300A please enquire within as custom CTs up to 5000A available
 |
 |
 |
0 - 75A Rated CT
|
0 - 120A Rated CT
|
0 - 300A Rated CT
|
Note: For dimensions and specifications on CTs please see the specifications tab on this page
Potential Transform Voltage Monitor

Note: For dimensions and specifications on the Potential Transformer please see the specifications tab on this page
Power Supply

Note: For dimensions and specifications on the Power Supply please see the specifications tab on this page
Specifications - Ensure Module
Dimensions
Length
|
Width
|
Height
|
| 6.5 inch |
4.60 inch |
3.25 inch |
| 165.1mm |
116.84mm |
82.55mm |
Electrical Properties
Current Accuracy
|
±1% |
Volts IN
|
24VDC |
Power Accuracy
|
±1% |
Amps (Max)
|
250mA |
Operating Temp.
|
0oC - 37.78oC |
Frequency
|
50 - 60Hz |
Certifications
EN613226, 61000-3-2 & 3-3 IEC61036/60687, IEC62053-21, and IEC62053-22 |
CE Marked/Tested IEC Compliant and Certified UL list 916
|
Data Gathering Unit (DGM)

Processor Card

75A Current Transformers (CT) Specifications
 |
Dimensions
A
|
B
|
C
|
| 0.4 inch |
0.75 inch |
1.56 inch |
| 10.16 mm |
19.05 mm |
39.5 mm |
Electrical Properties
Accuracy
|
±0.5% |
Rate Current
|
75A |
Linearity
|
1-100%
|
Current Ratio
|
3000:1 |
Max Voltage
|
600V |
Frequency
|
20 - 400Hz |
Certifications
| EN61010-1 |
UL Listed 1015 |
CE Marked / Test |
|
120A Current Transformers (CT) Specifications
 |
75A CT Dimensions
A
|
B
|
C
|
| 0.630 inch |
1.220 inch |
1.890 inch |
| 16 mm |
31 mm |
48 mm |
Electrical Properties
Accuracy
|
±0.5% |
Rate Current
|
120A |
Linearity
|
1-100%
|
Current Ratio
|
3000:1 |
Max Voltage
|
600V |
Frequency
|
20 - 400Hz |
Certifications
| EN61010-1 |
UL Listed 1015 |
CE Marked / Test |
|
300A Current Transformers (CT) Specifications
 |
Dimensions
A
|
B
|
C
|
| 1.0 inch |
2.125 inch |
2.375 inch |
| 25.4 mm |
53.975 mm |
60.325 mm |
Electrical Properties
Accuracy
|
±0.5% |
Rate Current
|
300A |
Linearity
|
1-100%
|
Current Ratio
|
3600:1 |
Max Voltage
|
600V |
Frequency
|
50 - 500Hz |
Certifications
UL Listed 1015 & 506
|
ETL Recongnises
|
|
Potential Transformer Specifications

|
Dimensions
Length
|
Width
|
Height
|
| 5.90 inch |
3.125 inch |
1.95 inch |
| 148.86 mm |
79.35 mm |
49.53 mm |
Electrical Properties
Accuracy
|
±0.5% |
Rate Current
|
N/A |
Linearity
|
±0.5%
|
Current Ratio
|
1200:1 |
Max Voltage
|
480V |
Frequency
|
50 - 60Hz |
Certifications
EN610101-1
|
CE Marked / Tested |
|
Power Supply Specifications

|
Dimensions
Length
|
Width
|
Height
|
| 4.53 inch |
0.89 inch |
3.53 inch |
| 115.06 mm |
22.61 mm
|
89.66 mm
|
Electrical Properties
Max Volts In
|
100-240V |
Volts Out
|
24VDC
|
Man Amps In
|
500mA
|
Amps Out
|
0.75A |
Frequency
|
47-63Hz |
Power Out
|
18W
|
Certifications
UL 508, 1310
|
CE Markded/Tested
|
EN61010-1, 61000-3-3, 50082
|
|
Diagram of a typical installation

Real Life Set Up
